Sunbet·申博(中国区)有限公司-官方网站
首页
走进sunbet申搏官方网站
企业简介
组织机构
企业文化
资质荣誉
工作现场
社会责任报告
新闻中心
方案与产品
产品展示
智能配电监控解决方案
智能配电系列产品
高低压成套电气及自动化控制设备
节能数据中心设备系列产品
通信集装设备系列产品
智能配电监控系统及电力仪表
配线类产品
其它通信系列产品
充电桩系列
解决方案
通信系统设备
智能配电开关控制设备
智能测控仪表
新能源充电设备
研发创新
客户服务
联系方式
人才招聘
智能配电开关控制设备
首页
方案与产品
解决方案
智能配电开关控制设备
详细内容
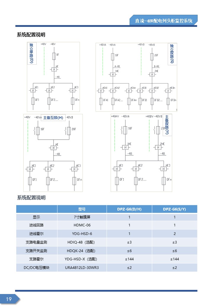
智能配电监控系统与电力仪表
By
创始人
2023-07-05 18:37:21
0
次
上一篇:
智能直流配电设备母线电量与支路状态监控系统(DPZ-G1)
下一篇:
没有了
上一篇:智能直流配电设备母线电量与支路状态监控系统(DPZ-G1)
下一篇:没有了